2016년04월09일 6번
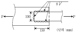
[과목 구분 없음] 그림과 같은 유효길이를 갖는 필릿용접부가 받을 수 있는 인장력 P[N]는? (단, 필릿용접의 허용전단응력 va=80MPa이다)

-
①
-
②
- ③ P=80×8×(150×2)
- ④ P=80×8×(150×2+100)
(정답률: 82%)
문제 해설